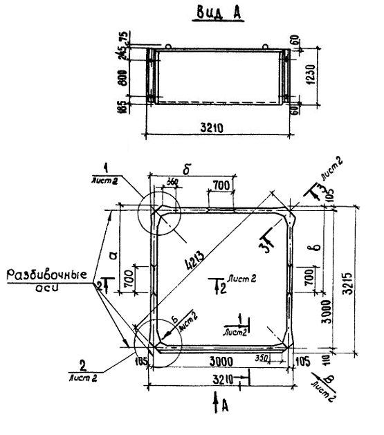
СБО 3.3-1 ВрII-3

Чертеж изделия:
Чертеж СБО 3.3-1 ВрII-3
Характеристики изделия:
ПараметрЗначение
Длина3210 мм
Ширина3215 мм
Высота1230 мм
Масса4100 кг
Нормативный документСерия 3.702.1-4

СБО 3.3-1 ВрII-3 Силосный блок объёмный по Серии 3.702.1-4.