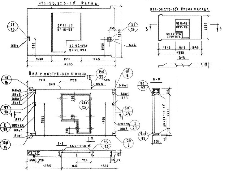
НТ1-50.27.3-1бл
Характеристики изделия:
| Параметр | Значение |
|---|---|
| Длина | 4995 мм |
| Ширина | 300 мм |
| Высота | 2650 мм |
| Масса | 4550 кг |
| Нормативный документ | Серия 1.132-1 |
Цена:
Рассчитать стоимостьНТ1-50.27.3-1бл Наружная стеновая панель торцевая по Серии 1.132-1.
| Параметр | Значение |
|---|---|
| Длина | 4995 мм |
| Ширина | 300 мм |
| Высота | 2650 мм |
| Масса | 4550 кг |
| Нормативный документ | Серия 1.132-1 |
НТ1-50.27.3-1бл Наружная стеновая панель торцевая по Серии 1.132-1.